MASTERS GROUP ™

Почта

Телефоны
8(911)923-75-08
8(921)960-42-04
8(812)923-75-08
8(911)923-75-08
8(921)960-42-04
8(812)923-75-08
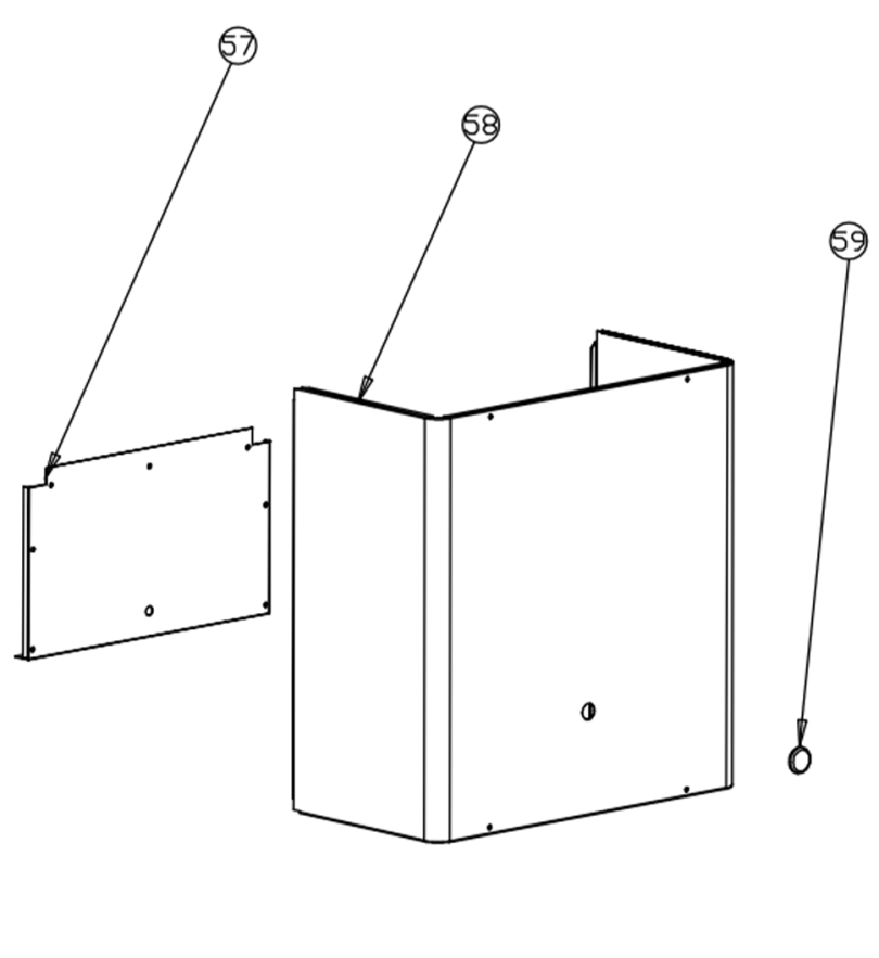
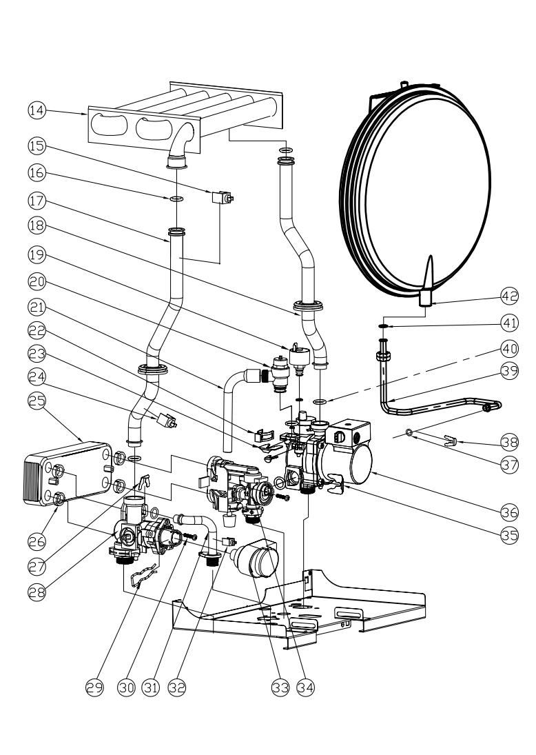
Качество и надежность отопительной системы в доме напрямую зависят от исправности каждой детали, особенно когда речь идет о сердце этой системы – газовом котле. На рынке существует множество производителей, но одним из признанных лидеров является компания THERMEX со своей моделью EUROELITE FH 40. Для поддержания бесперебойной работы такого важного устройства предлагаем наш уникальный сервис – продажу оригинальных запасных частей на газовый котел THERMEX EUROELITE FH 40 с шестимесячной гарантией при установке нашими сертифицированными специалистами.
Если вы являетесь счастливым владельцем газового котла THERMEX EUROELITE FH 40, то знаете, насколько важно использовать качественные запасные части для его обслуживания и ремонта. Ведь выбор правильных компонентов - это гарантия надежности, эффективности и долговечности вашего оборудования. Именно потому наш сервис-центр предлагает оригинальные запасные части, которые идеально подойдут для вашего котла THERMEX EUROELITE FH 40.
Выбирая нас, вы получаете не только качественную продукцию, но и профессиональное обслуживание. Наши специалисты обладают всем необходимым опытом и инструментарием, чтобы выполнить установку запасных частей быстро и эффективно. Мы понимаем насколько важна каждая деталь в сложной системе газового котла, поэтому работаем только с проверенными поставщиками и оригинальными запасными частями, что позволяет нам предоставить нашим клиентам уникальную гарантию сроком на шесть месяцев.
Зачем рисковать и доверять критически важное оборудование непроверенным поставщикам? Устанавливая запасные части котла THERMEX EUROELITE FH 40 в нашем сервисном центре, вы не только обеспечиваете правильную эксплуатацию своего оборудования, но и экономите время и средства благодаря нашей эксклюзивной гарантии.
Не допускайте установку запасных частей непрофессионалами или самостоятельно, так как это может привести к ухудшению работы котла, снижению его эффективности и, в конечном итоге, к возможным аварийным ситуациям. Обращайтесь к специалистам нашего центра, которые обладают всей необходимой квалификацией и опытом для качественного выполнения работы.
Наши клиенты могут быть уверены в том, что их котел THERMEX EUROELITE FH 40 будет функционировать плавно и без сбоев долгие годы. У нас вы найдете широкий ассортимент запасных частей и аксессуаров для вашего газового котла, а наша команда профессионалов гарантирует их идеальную установку. Не дайте мелкой поломке повредить ваше спокойствие и комфорт в доме – выбирайте наш сервисный центр для покупки запасных частей для газового котла THERMEX EUROELITE FH 40. Звоните и записывайтесь на сервисное обслуживание уже сегодня, чтобы насладиться беззаботной работой вашего отопительного оборудования завтра!
В Masters Group мы гордимся нашей репутацией и работаем над каждым отзывом, который получаем от клиентов. Наша главная цель — предоставление услуг высочайшего уровня и эффективное решение задач наших клиентов. Ваши отзывы не только помогают нам улучшаться, но и делают наше сотрудничество более успешным. Мы искренне благодарны за ваше доверие и с нетерпением ждем ваших впечатлений о работе с нами!